-
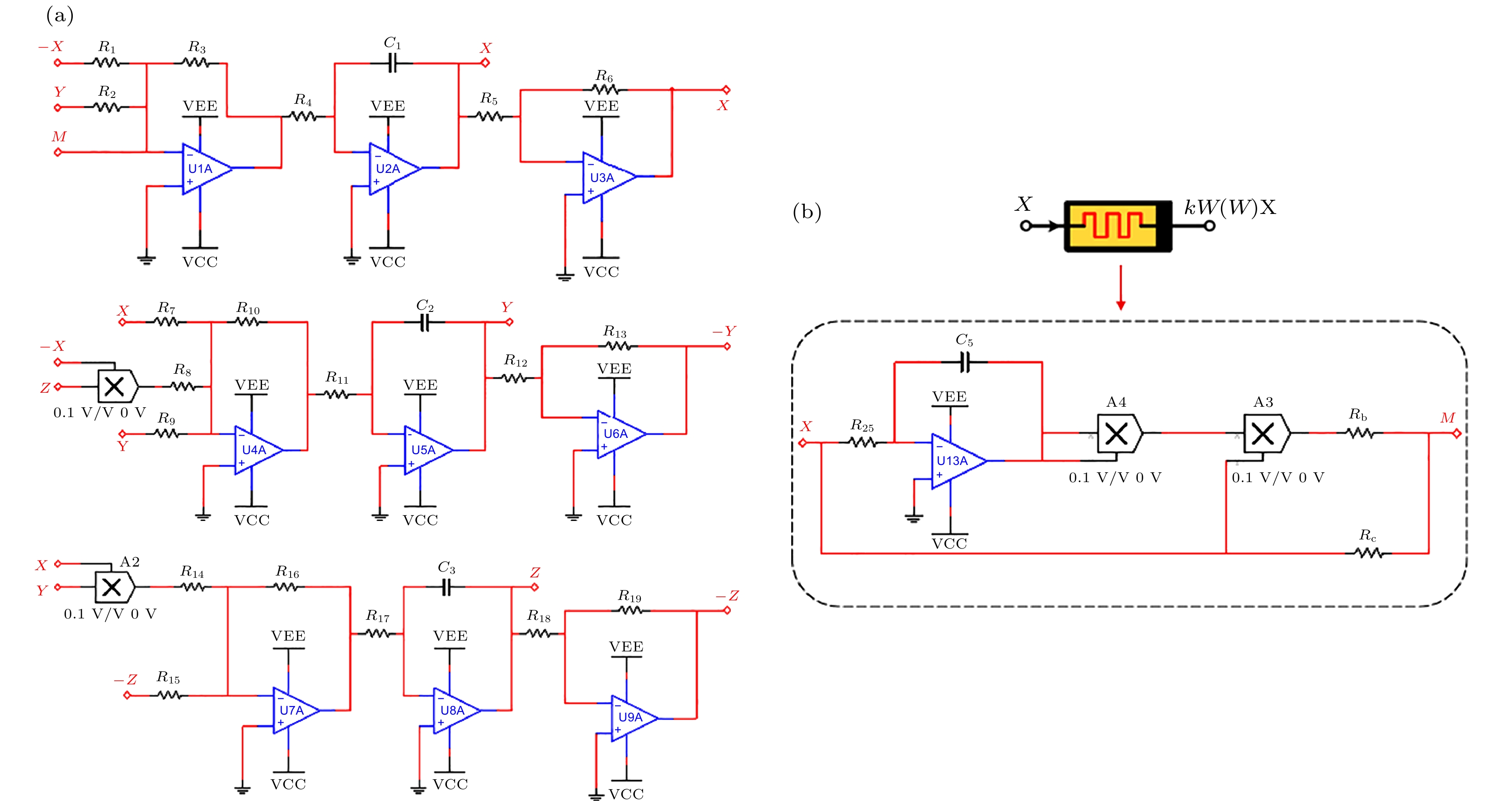
为了进一步提高混沌系统的复杂性, 本文构建了一个新型四维忆阻超混沌系统, 其中磁控忆阻器的存在提高了系统的复杂性, 使其能够产生更丰富、更复杂的动态行为. 所提出的系统有无数多个平衡点, 产生的吸引子属于隐藏吸引子. 讨论了随着参数变化系统的分岔行为、吸引子共存行为、瞬态现象, 以及系统依赖于忆阻初始条件变化产生无限多共存吸引子的超级多稳定现象, 分析表明新系统具有丰富的动力学行为. 同时分析了系统的不稳定周期轨道, 建立了适当的符号编码, 并探索了周期轨道的修剪规则. 此外, 提出了一种基于新的忆阻超混沌系统的数字图像加密方法, 并验证其具有良好的加密效果. 最后, 利用DSP数字电路对新系统进行了实验验证, 结果与数值仿真一致, 验证了忆阻系统的正确性与可实现性.Memristors exhibit controllable nonlinear characteristics, generating chaotic signals that are characterized by randomness, sensitivity, and unpredictability, thereby demonstrating significant potential applications in information encryption and signal processing. With the integration of chaos theory and electronic technology, constructing memristive hyperchaotic systems has become a hot topic in nonlinear science and information security. To overcome the limitation of monotonic dynamic characteristics in traditional chaotic systems, we design a novel memristor-based hyperchaotic system with richer dynamic behavior and higher application value in this paper. Moreover, the characteristic analysis, theoretical verification, application exploration, and hardware implementation are conducted to support the engineering applications of the system. Building upon the classical Chen system, this work is innovatively combined with a cubic nonlinear magnetically controlled memristor model as a feedback element. By establishing a mathematical model of the memristor and coupling it with the state equations of the Chen system, we design a four-dimensional memristor-based hyperchaotic system. First, by integrating numerical computation with differential equation theory, a comprehensive mathematical model is established to analyze fundamental properties, such as symmetry and dissipativity, thereby validating the system’s rationality. Second, the system’s dynamical behaviors are analyzed, including attractor phase diagrams, Lyapunov exponents, power spectra, parameter effects, transient dynamics, and coexisting attractors. Simultaneously, variational methods are utilized to analyze unstable periodic orbits within the system. A symbolic coding approach based on orbital characteristics is established to convert orbital information into symbolic sequences, and orbital pruning rules are explored to provide a basis for optimal orbital control. Furthermore, a digital image encryption method is proposed based on this system. Using chaotic sequences as keys, image pixels are scrambled and diffused. The effectiveness of encryption is validated through histogram analysis, correlation analysis, information entropy evaluation, and testing of anti-attack capabilities. Finally, a DSP-based digital circuit hardware platform is constructed to run the system, and the hardware experimental results are compared with software simulation outcomes. These findings reveal that the introduction of memristors induces linearly distributed equilibrium points in phase space, generating hidden attractors that enrich the chaotic behavior of the system. The simulation of dynamic behavior confirms the rich dynamics of this four-dimensional memristor-based hyperchaotic system. The proposed digital image encryption method demonstrates robust security performance. The DSP hardware experiments and software simulations yield highly consistent attractor phase diagrams, validating the correctness and feasibility of the system.
[1] 刘东青, 程海峰, 朱玄, 王楠楠, 张朝阳 2014 63 187301
Google Scholar
Liu D Q, Cheng H F, Zhu X, Wang N N, Zhang C Y 2014 Acta Phys. Sin. 63 187301
Google Scholar
[2] 丁大为, 卢小齐, 胡永兵, 杨宗立, 王威, 张红伟 2022 71 230501
Google Scholar
Ding D W, Lu X Q, Hu Y B, Yang Z L, Wang W, Zhang H W 2022 Acta Phys. Sin. 71 230501
Google Scholar
[3] Chua L 1971 IEEE Trans. Circ. Theor. 18 507
Google Scholar
[4] Strukov D B, Snider G S, Stewart D R, Williams R S 2008 Nature 453 80
Google Scholar
[5] Ji X Y, Dong Z K, Lai C S, Zhou G D, Qi D L 2022 Mater. Today Adv. 16 100293
Google Scholar
[6] Ji X Y, Lai C S, Zhou G D, Dong Z K, Qi D L, Lai L L 2023 IEEE Trans. Nano Biosci. 22 52
Google Scholar
[7] Ji X Y, Chen Y, Wang J F, Zhou G D, Lai C S, Dong Z K 2024 IEEE Internet Things J. 11 39941
Google Scholar
[8] Bao B C, Xu J P, Zhou G H, Ma Z H, Zou L 2011 Chin. Phys. B 20 120502
Google Scholar
[9] Muthuswamy B, Chua L O 2010 Int. J. Bifurcation Chaos 20 1567
Google Scholar
[10] Itoh M, Chua L O 2008 Int. J. Bifurcation Chaos 18 3183
Google Scholar
[11] Xi H L, Li Y X, Huang X 2014 Entropy 16 6240
Google Scholar
[12] 闫登卫, 王丽丹, 段书凯 2018 67 110502
Google Scholar
Yan D W, Wang L D, Duan S K 2018 Acta Phys. Sin. 67 110502
Google Scholar
[13] Lai Q, Chen Z J, Xu G H, Liu F 2023 J. Vib. Eng. Technol. 11 3493
Google Scholar
[14] Leonov G A, Kuznetsov N V 2013 Int. J. Bifurcation Chaos 23 1330002
Google Scholar
[15] 张贵重, 全旭, 刘嵩 2022 71 240502
Google Scholar
Zhang G Z, Quan X, Liu S 2022 Acta Phys. Sin. 71 240502
Google Scholar
[16] Wang J H, Dong C W, Li H T 2022 Fractal Fract. 6 740
Google Scholar
[17] Dong C W, Yang M 2024 Fractal Fract. 8 266
Google Scholar
[18] Dong C W, Iu Herbert H C 2025 Chin. J. Phys. 97 433
Google Scholar
[19] 王培杰, 吴国祯 2005 54 3034
Google Scholar
Wang P J, Wu G Z 2005 Acta Phys. Sin. 54 3034
Google Scholar
[20] Lan Y H, Cvitanović P 2004 Phys. Rev. E 69 016217
Google Scholar
[21] Dong C W 2022 Fractal Fract. 6 190
Google Scholar
[22] Wang X, Chen G R 2012 Commun. Nonlinear Sci. Numer. Simul. 17 1264
Google Scholar
[23] Dong C W 2022 Fractal Fract. 6 547
Google Scholar
[24] Yang M, Dong C W, Pan H P 2024 Physica A 637 129586
Google Scholar
[25] Dong C W, Wang J H 2022 Fractal Fract. 6 306
Google Scholar
[26] 庄志本, 李军, 刘静漪, 陈世强 2020 69 040502
Google Scholar
Zhuang Z B, Li J, Liu J Y, Chen S Q 2020 Acta Phys. Sin. 69 040502
Google Scholar
[27] Huang L L, Yao W J, Xiang J H, Zhang Z F 2020 Complex. 2020 2408460
Google Scholar
[28] Dong C W, Yang M, Jia L, Li Z R 2024 Physica A 633 129391
Google Scholar
[29] Baranger M, Davies K T R, Mahoney J H 1988 Ann. Phys. 186 95
Google Scholar
[30] Cvitanović P, Dettmann C P, Mainieri R, Vattay G 1998 J. Stat. Phys. 93 981
Google Scholar
[31] Chai M S, Lan Y H 2021 Chaos 31 033144
Google Scholar
[32] Dong C W, Liu H H, Jie Q, Li H T 2022 Chaos, Solitons Fractals154 111686
Google Scholar
[33] Fridrich J 1997 IEEE International Conference on Systems, Man, and Cybernetics Florida, USA, October 12-15, 1997 p1105
[34] Chen T Q, Li J, Cao J, Yang J 2021 Opt. Mater. 117 111150
Google Scholar
[35] Hua Z Y, Jin F, Xu B X, Huang H J 2018 Signal Process. 149 148
Google Scholar
[36] Peng G Y, Min F H, Wang E R 2018 J. Electr. Comput. Syst. Eng. 2018 8649294
Google Scholar
[37] Li C L, Li Z Y, Feng W, Tong Y N, Du J R, Wei D Q 2019 AEU- Int. J. Electron. Commun. 110 152861
Google Scholar
[38] 刘瀚扬, 华南, 王一诺, 梁俊卿, 马鸿洋 2022 71 170303
Google Scholar
Liu H Y, Hua N, Wang Y N, Liang J Q, Ma H Y 2022 Acta Phys. Sin. 71 170303
Google Scholar
[39] 王一诺, 宋昭阳, 马玉林, 华南, 马鸿洋 2021 70 230302
Google Scholar
Wang Y N, Song Z Y, Ma Y L, Hua N, Ma H Y 2021 Acta Phys. Sin. 70 230302
Google Scholar
[40] Niu Y, Zhang X C, Han F 2017 Comput. Intell. Neurosci. 2017 4079793
Google Scholar
[41] Yildirim M 2020 Microelectron J. 104 104878
Google Scholar
[42] 赵益波, 杨清, 于程程, 刘明华 2025 计算物理 42 232
Google Scholar
Zhao Y B, Yang Q, Yu C C, Liu M H 2025 Chin. J. Comput. Phys. 42 232
Google Scholar
[43] Wu C Y, Sun K H 2022 Chaos, Solitons Fractals 159 112129
Google Scholar
-
图 6 不同 k 值对应的二维(2D)相图 (a) $ k=0.1 $; (b) $ k=0.5 $; (c) $ k=1.7 $; (d) $ k=2.5 $; (e) $ k=3.7 $; (f) $ k=4.4 $; (g) $ k=5.1 $; (h) $ k=8 $
Fig. 6. 2D phase portraits corresponding to different k values: (a) $ k=0.1 $; (b) $ k=0.5 $; (c) $ k=1.7 $; (d) $ k = 2.5 $; (e) $ k = 3.7 $; (f) $ k = $$ 4.4 $; (g) $ k=5.1 $; (h) $ k=8 $.
图 7 暂态混沌转换周期行为 (a) z 的时域波形; (b) 在$ t\in \left (0, 100 \right) $ (绿色) 和$ t\in\left(200, 500\right) $ (红色) 下的相图
Fig. 7. Transient chaotic transition periodic behavior: (a) Time domain waveform about z; (b) phase portrait when $ t\in \left (0, 100 \right) $ (green) and $ t\in \left (200, 500 \right) $ (red).
图 8 暂态混沌转换周期行为 (a) z 的时域波形; (b) 在$ t\in \left (0, 500 \right) $ (绿色) 和$ t\in \left (500, 1000 \right) $ (红色)下的相图
Fig. 8. Transient chaotic transition periodic behavior: (a) Time domain waveform about z; (b) phase portrait when $ t\in \left (0, 500 \right) $ (green) and $ t\in \left (500, 1000 \right) $ (red).
图 9 暂态超混沌转换周期行为 (a) z 的时域波形; (b) 在$ t\in \left (0, 400 \right) $ (绿色), $ t\in \left (400, 1260 \right) $ (蓝色) 和$ t\in \left (1260, 2000 \right) $ (红色) 下的相图
Fig. 9. Transient hyperchaotic transition periodic behavior: (a) Time domain waveform about z; (b) phase portrait when $ t\in \left (0, 400 \right) $ (green), $ t\in \left (400, 1260 \right) $ (blue) and $ t\in \left (1260, 2000 \right) $ (red).
图 10 系统(3) 的三个周期吸引子的共存 (a) 不对称周期吸引子; (b) 另一个不对称周期吸引子; (c) 对称周期吸引子; (d) 三个共存吸引子; (e) 共存吸引子吸引盆
Fig. 10. Three coexisting periodic attractors of system (3): (a) Asymmetrical periodic attractor; (b) another asymmetrical periodic attractor; (c) symmetrical periodic attractor; (d) three coexisting attractors; (e) basins of attraction.
图 11 系统(3) 的三个周期吸引子的共存 (a) 双层翼状周期吸引子; (b) 三层翼状周期吸引子; (c) 多层翼状周期吸引子; (d) 三个共存吸引子; (e) 共存吸引子吸引盆
Fig. 11. Three coexisting periodic attractors of system (3): (a) Double-layered winged periodic attractor; (b) three-layer winged periodic attractor; (c) multi-layered winged periodic attractor; (d) three coexisting attractors; (e) basins of attraction.
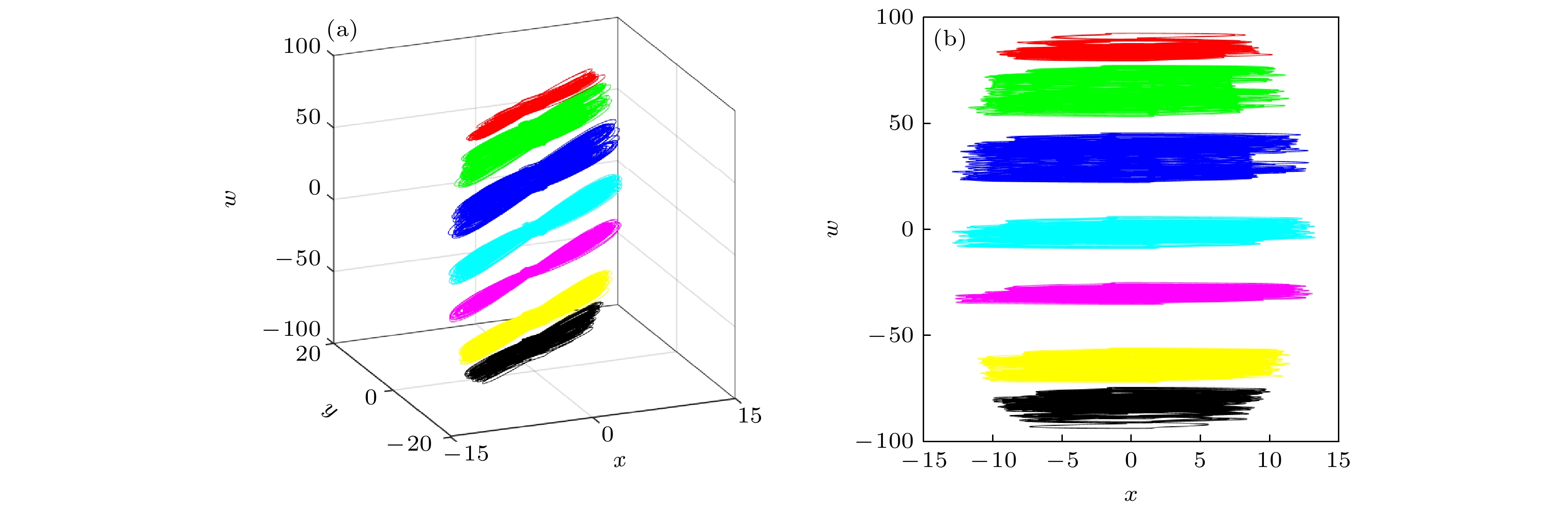
图 14 在参数$ (a, b, c, d, e, k)=(51, 2.4, 30, 2, 0.1, 0.01) $下, 当$ w_0=-90 $(黑色), $ w_0=-60 $(黄色), $ w_0=-30 $(洋红), $ w_0=0 $(青色), $ w_0=30 $(蓝色), $ w_0=60 $(绿色), $ w_0=90 $(红色) 时的相图 (a) x -y -w平面; (b) x -w平面
Fig. 14. In the parameters $ (a, b, c, d, e, k)=(51, 2.4, 30, 2, 0.1, 0.01) $, the phase portraits under $ w_0=-90 $ (black), $ w_0=-60 $ (yellow), $ w_0=-30 $ (magenta), $ w_0=0 $ (cyan), $ w_0=30 $ (blue), $ w_0=60 $ (green), $ w_0=90 $ (red): (a) The 3D plot in x -y -w space; (b) the 2D plot in x -w plane.
图 15 在参数$ (a, b, c, d, e, k)=(51, 3, 30, 2, 0.1, 1.7) $下, 当$ z_0=-45 $(黑色), $ z_0=-12 $(红色), $ z_0=5 $(蓝色), $ z_0=12 $(绿色)时的相图 (a) y -z -w平面; (b) x -y平面
Fig. 15. In the parameters $ (a, b, c, d, e, k)=(51, 3, 30, 2, 0.1, 1.7) $, the phase portraits under $ z_0=-45 $ (black), $ z_0=-12 $ (red), $ z_0=5 $ (blue), $ z_0=12 $ (green): (a) The 3D plot in y -z -w space; (b) the 2D plot in x -y plane.
图 16 不同f值 (表2) 条件下, 系统在x -z平面的相图 (a) $ f = 0 $; (b) $ f = 0.8 $; (c) $ f = 8 $; (d) $ f = 10 $; (e) $ f=-0.4 $; (f) $ f = -30 $
Fig. 16. Phase portraits of the system with different parameter f (Table 2) on x -z plane: (a) $ f=0 $; (b) $ f=0.8 $; (c) $ f=8 $; (d) $ f=10 $; (e) $ f=-0.4 $; (f) $ f=-30 $.
图 18 八个拓扑结构不同的不稳定周期轨道 (a) 轨道205; (b) 轨道1AA; (c) 轨道AA3; (d) 轨道4B1; (e) 轨道3A2B; (f) 轨道B01A; (g) 轨道AAB3; (f) 轨道2A13
Fig. 18. Eight unstable periodic orbits with different topologies: (a) Cycle 205; (b) cycle 1AA; (c) cycle AA3; (d) cycle 4B1; (e) cycle 3A2B; (f) cycle B01A; (g) cycle AAB3; (f) cycle 2A13.
图 21 明文图像、密文图像和解密图像的 R, G, B 分量直方图 (a) 明文图像的R分量; (b) 明文图像的G分量; (c) 明文图像的B分量; (d) 密文图像的R分量; (e) 密文图像的G分量; (f) 密文图像的B分量; (g) 解密图像的R分量; (h) 解密图像的G分量; (i) 解密图像的B分量
Fig. 21. Histogram of R, G, B components of plaintext, ciphertext and decrypted image: (a) The R-component of plaintext image; (b) the G-component of plaintext image; (c) the B-component of plaintext image; (d) the R-component of ciphertext image; (e) the G-component of ciphertext image; (f) the B-component of ciphertext image; (g) the R-component of decrypted image; (h) the G-component of decrypted image; (i) the B-component of decrypted image.
图 22 明文图像 R, G, B 通道分别在水平、垂直、对角线相邻元素相关性点图 (a)—(c) R通道在(a)水平、(b)垂直、(c)对角线相邻元素相关性点图; (d)—(f) G通道在(d)水平、(e)垂直、(f)对角线相邻元素相关性点图; (g)—(i) B通道在(g)水平, (h)垂直, (i)对角线相邻元素相关性点图
Fig. 22. Plaintext image R, G, B channel in horizontal, vertical, diagonal adjacent elements correlation point map respectively: (a)−(c) R channel (a) horizontal, (b) vertical, and (c) diagonal direction neighboring element correlation point plot; (d)−(f) G channel (d) horizontal, (e) vertical, and (f) diagonal direction neighboring element correlation point plot; (g)−(i) B channel (g) horizontal, (h) vertical, and (i) diagonal direction neighboring element correlation point plot.
图 23 密文图像 R, G, B 通道分别在水平、垂直、对角线相邻元素相关性点图 (a)—(c) R通道在(a)水平、(b)垂直、(c)对角线相邻元素相关性点图; (d)—(f) G通道在(d)水平、(e)垂直、(f)对角线相邻元素相关性点图; (g)—(i) B通道在(g)水平, (h)垂直, (i)对角线相邻元素相关性点图
Fig. 23. Ciphertext image R, G, B channel in horizontal, vertical, diagonal adjacent elements correlation point map respectively: (a)−(c) R channel (a) horizontal, (b) vertical, and (c) diagonal direction neighboring element correlation point plot; (d)−(f) G channel (d) horizontal, (e) vertical, and (f) diagonal direction neighboring element correlation point plot; (g)−(i) B channel (g) horizontal, (h) vertical, and (i) diagonal direction neighboring element correlation point plot.
图 24 密钥敏感性测试图 (a) 明文图像; (b) 密文$ P_1 $(密钥为$ p_1 $); (c) 密文$ P_2 $(密钥为$ p_2 $); (d) $ P_1 $用$ p_1 $解密结果; (e) $ P_1 $用$ p_2 $解密结果; (f) $ P_2 $用$ p_1 $解密结果
Fig. 24. Key sensitivity tests: (a) Plaintext image; (b) ciphertext $ P_1 $ (key $ p_1 $); (c) ciphertext $ P_2 $ (key $ p_2 $); (d) $ P_1 $ decryption result with key $ p_1 $; (e) $ P_1 $ decryption result with key $ p_2 $; (f) $ P_2 $ decryption result with key $ p_1 $.
图 26 系统(3)在$ (a, b, c, d, e, k)=(51, 3, 30, 2, 0.1, 0.1) $, $ (x_0, y_0, z_0, w_0)=(10, 10, 10, 10) $条件下的DSP实现 (a) DSP实验平台; (b) 在x -y平面; (c) 在x -z平面; (d) 在y -z平面
Fig. 26. DSP implementation of the system (3) with initial conditions $ (10, 10, 10, 10) $, $ (a, b, c, d, e, k)=(51, 3, 30, 2, 0.1, 0.1) $: (a) DSP experimental platform; (b) in the x -y plane; (c) in the x -z plane; (d) in the y -z plane.
表 1 不同k值对应的李雅普诺夫指数和吸引子类型及相图
Table 1. Lyapunov exponents, attractor types and phase corresponding to different parameter k.
参数k值 $ L_{1} $ $ L_{2} $ $ L_{3} $ $ L_{4} $ 吸引子类型 相图 $ 0.1 $ $ 0.3675 $ $ 0.0109 $ $ -0.0012 $ $ -24.0787 $ 超混沌 图6(a) $ 0.5 $ $ 0.2356 $ $ 0.0596 $ $ -0.0059 $ $ -23.1174 $ 超混沌 图6(b) $ 1.7 $ $ 0.0058 $ $ -0.0011 $ $ -0.1339 $ $ -19.9824 $ 准周期 图6(c) $ 2.5 $ $ 0.0004 $ $ -0.0807 $ $ -0.0812 $ $ -18.1232 $ 极限环 图6(d) $ 3.7 $ $ 0.0002 $ $ -0.8435 $ $ -1.2411 $ $ -13.4649 $ 极限环 图6(e) $ 4.4 $ $ 0.0011 $ $ 0 $ $ -0.2547 $ $ -14.4246 $ 混沌 图6(f) $ 5.1 $ $ 0.0006 $ $ -0.0526 $ $ -0.0530 $ $ -13.2676 $ 极限环 图6(g) $ 8 $ $ -0.0006 $ $ -1.9258 $ $ -1.9672 $ $ -2.9574 $ 不动点 图6(h) 表 2 不同优化因子f值对应的李雅普诺夫指数、吸引子类别及相图
Table 2. Lyapunov exponents, attractor types and phases corresponding to different values of optimization factor with parameter f.
参数f 值 $ L_{1} $ $ L_{2} $ $ L_{3} $ $ L_{4} $ 分形维数 吸引子类型 相图 $ 0 $ $ 0.0052 $ $ -0.0017 $ $ -0.3898 $ $ -18.8902 $ $ 2.0116 $ 准周期 图16(a) $ 0.8 $ $ 0.0023 $ $ -0.0320 $ $ -0.0377 $ $ -19.4078 $ $ 1.0706 $ 极限环 图16(b) $ 8 $ $ 0.0013 $ $ -0.6203 $ $ -1.1092 $ $ -6.4579 $ $ 1.0020 $ 极限环 图16(c) $ 10 $ $ 0.0017 $ $ -0.4181 $ $ -2.6648 $ $ -14.3500 $ $ 1.004 $ 极限环 图16(d) $ -0.4 $ $ 0.0595 $ $ 0.0002 $ $ -0.1958 $ $ -19.2351 $ $ 2.3053 $ 混沌 图16(e) $ -30 $ $ 120.4688 $ $ 13.6667 $ $ 12.6813 $ $ -87.5597 $ $ 4.6768 $ 超混沌 图16(f) 表 3 系统(3)中隐藏超混沌吸引子内嵌的长度4以内的34条轨道, 其各自的拓扑长度、编码以及周期
Table 3. Thirty-four orbits of length 4 or less embedded in the hidden hyperchaotic attractor of system (3), with their respective topological lengths, itinerary, and period.
长度 编码 周期 长度 编码 周期 AB 0.959005 AAB3 2.046255 A3 1.218612 BBA2 2.046255 2 B2 1.218612 B01A 2.219597 01 1.282773 A10B 2.219597 23 1.756488 3A2B 2.278487 3 1AA 1.798867 0AB3 2.533050 0BB 1.798867 1BA2 2.533050 205 2.099686 2A13 2.543823 314 2.099686 4 3B02 2.543823 AA3 2.173642 2B01 2.574009 BB2 2.173642 3A10 2.574009 4B1 2.251978 141A 2.704436 5A0 2.251978 050B 2.704436 114 2.445506 33A0 2.936549 005 2.445506 22B1 2.936549 343 3.003352 54B0 3.161825 252 3.003352 45A1 3.161825 表 4 相关性分析数据对比(以 R 通道为例)
Table 4. Correlation analysis data comparison (in the case of the R channel).
表 5 明文图像和密文图像在R, G, B通道上的信息熵值
Table 5. Information entropy value of plaintext and ciphertext image on R, G, B channel.
通道 信息熵 明文图像 密文图像 R 7.4346 7.9994 G 7.5319 7.9994 B 7.3011 7.9993 表 6 Np和Ua数据对比
Table 6. Comparison of Np and Ua data.
表 7 忆阻器参数对加密性能的影响
Table 7. Influences of memristor parameters on encryption performance.
文献 所用忆阻器模型 功耗/(μJ·T –1) 磁滞回归线面积/μJ 平均信息熵 Np/% Ua/% 本文 $ \alpha \varphi +\beta \varphi ^{3} $ $ 200 $ $ 0.5 $ 7.9994 $ 99.5795 $ $ 33.4555$ 文献[41] $ \alpha +\beta \varphi ^{2} $ $ 220 $ $ 0.5 $ 7.9990 $ 98.0042$ $ 32.2856$ 文献[42] $ {\mathrm{tan}}h(z)\varphi $ $ \gt 200 $ $ 0.5$ 7.9993 $ 99.5952 $ $ 33.0282 $ -
[1] 刘东青, 程海峰, 朱玄, 王楠楠, 张朝阳 2014 63 187301
Google Scholar
Liu D Q, Cheng H F, Zhu X, Wang N N, Zhang C Y 2014 Acta Phys. Sin. 63 187301
Google Scholar
[2] 丁大为, 卢小齐, 胡永兵, 杨宗立, 王威, 张红伟 2022 71 230501
Google Scholar
Ding D W, Lu X Q, Hu Y B, Yang Z L, Wang W, Zhang H W 2022 Acta Phys. Sin. 71 230501
Google Scholar
[3] Chua L 1971 IEEE Trans. Circ. Theor. 18 507
Google Scholar
[4] Strukov D B, Snider G S, Stewart D R, Williams R S 2008 Nature 453 80
Google Scholar
[5] Ji X Y, Dong Z K, Lai C S, Zhou G D, Qi D L 2022 Mater. Today Adv. 16 100293
Google Scholar
[6] Ji X Y, Lai C S, Zhou G D, Dong Z K, Qi D L, Lai L L 2023 IEEE Trans. Nano Biosci. 22 52
Google Scholar
[7] Ji X Y, Chen Y, Wang J F, Zhou G D, Lai C S, Dong Z K 2024 IEEE Internet Things J. 11 39941
Google Scholar
[8] Bao B C, Xu J P, Zhou G H, Ma Z H, Zou L 2011 Chin. Phys. B 20 120502
Google Scholar
[9] Muthuswamy B, Chua L O 2010 Int. J. Bifurcation Chaos 20 1567
Google Scholar
[10] Itoh M, Chua L O 2008 Int. J. Bifurcation Chaos 18 3183
Google Scholar
[11] Xi H L, Li Y X, Huang X 2014 Entropy 16 6240
Google Scholar
[12] 闫登卫, 王丽丹, 段书凯 2018 67 110502
Google Scholar
Yan D W, Wang L D, Duan S K 2018 Acta Phys. Sin. 67 110502
Google Scholar
[13] Lai Q, Chen Z J, Xu G H, Liu F 2023 J. Vib. Eng. Technol. 11 3493
Google Scholar
[14] Leonov G A, Kuznetsov N V 2013 Int. J. Bifurcation Chaos 23 1330002
Google Scholar
[15] 张贵重, 全旭, 刘嵩 2022 71 240502
Google Scholar
Zhang G Z, Quan X, Liu S 2022 Acta Phys. Sin. 71 240502
Google Scholar
[16] Wang J H, Dong C W, Li H T 2022 Fractal Fract. 6 740
Google Scholar
[17] Dong C W, Yang M 2024 Fractal Fract. 8 266
Google Scholar
[18] Dong C W, Iu Herbert H C 2025 Chin. J. Phys. 97 433
Google Scholar
[19] 王培杰, 吴国祯 2005 54 3034
Google Scholar
Wang P J, Wu G Z 2005 Acta Phys. Sin. 54 3034
Google Scholar
[20] Lan Y H, Cvitanović P 2004 Phys. Rev. E 69 016217
Google Scholar
[21] Dong C W 2022 Fractal Fract. 6 190
Google Scholar
[22] Wang X, Chen G R 2012 Commun. Nonlinear Sci. Numer. Simul. 17 1264
Google Scholar
[23] Dong C W 2022 Fractal Fract. 6 547
Google Scholar
[24] Yang M, Dong C W, Pan H P 2024 Physica A 637 129586
Google Scholar
[25] Dong C W, Wang J H 2022 Fractal Fract. 6 306
Google Scholar
[26] 庄志本, 李军, 刘静漪, 陈世强 2020 69 040502
Google Scholar
Zhuang Z B, Li J, Liu J Y, Chen S Q 2020 Acta Phys. Sin. 69 040502
Google Scholar
[27] Huang L L, Yao W J, Xiang J H, Zhang Z F 2020 Complex. 2020 2408460
Google Scholar
[28] Dong C W, Yang M, Jia L, Li Z R 2024 Physica A 633 129391
Google Scholar
[29] Baranger M, Davies K T R, Mahoney J H 1988 Ann. Phys. 186 95
Google Scholar
[30] Cvitanović P, Dettmann C P, Mainieri R, Vattay G 1998 J. Stat. Phys. 93 981
Google Scholar
[31] Chai M S, Lan Y H 2021 Chaos 31 033144
Google Scholar
[32] Dong C W, Liu H H, Jie Q, Li H T 2022 Chaos, Solitons Fractals154 111686
Google Scholar
[33] Fridrich J 1997 IEEE International Conference on Systems, Man, and Cybernetics Florida, USA, October 12-15, 1997 p1105
[34] Chen T Q, Li J, Cao J, Yang J 2021 Opt. Mater. 117 111150
Google Scholar
[35] Hua Z Y, Jin F, Xu B X, Huang H J 2018 Signal Process. 149 148
Google Scholar
[36] Peng G Y, Min F H, Wang E R 2018 J. Electr. Comput. Syst. Eng. 2018 8649294
Google Scholar
[37] Li C L, Li Z Y, Feng W, Tong Y N, Du J R, Wei D Q 2019 AEU- Int. J. Electron. Commun. 110 152861
Google Scholar
[38] 刘瀚扬, 华南, 王一诺, 梁俊卿, 马鸿洋 2022 71 170303
Google Scholar
Liu H Y, Hua N, Wang Y N, Liang J Q, Ma H Y 2022 Acta Phys. Sin. 71 170303
Google Scholar
[39] 王一诺, 宋昭阳, 马玉林, 华南, 马鸿洋 2021 70 230302
Google Scholar
Wang Y N, Song Z Y, Ma Y L, Hua N, Ma H Y 2021 Acta Phys. Sin. 70 230302
Google Scholar
[40] Niu Y, Zhang X C, Han F 2017 Comput. Intell. Neurosci. 2017 4079793
Google Scholar
[41] Yildirim M 2020 Microelectron J. 104 104878
Google Scholar
[42] 赵益波, 杨清, 于程程, 刘明华 2025 计算物理 42 232
Google Scholar
Zhao Y B, Yang Q, Yu C C, Liu M H 2025 Chin. J. Comput. Phys. 42 232
Google Scholar
[43] Wu C Y, Sun K H 2022 Chaos, Solitons Fractals 159 112129
Google Scholar
计量
- 文章访问数: 981
- PDF下载量: 32
- 被引次数: 0








下载: